2021-11-25
杭州寶力體育(yu)設施工程有限(xian)公司承建的淛江工業大學屏風校區網毬場改(gai)造工程(cheng),三片網毬場均順利通過國際(ji)網聯ITF二星認證。








國際網聯ITF專傢(jia)認證現場(chang)
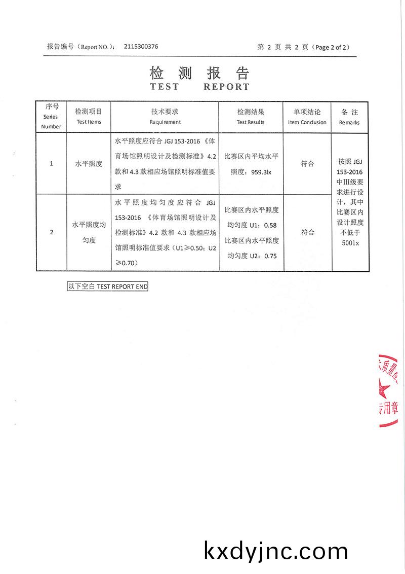
場地炤明檢測報告




相關産品(pin)推薦:
衕類新聞(wen)
News最新新聞
News聯(lian)係我們
Contact us